| 概览 | |
||
| 型号 | WRA2403ZMDP10 | 制造商 | MICRODC |
| 所属系列 | WRA-ZMDP10 | 产品类别 | 直流到直流电源(DC/DC) |
| 功能描述 | 免费注册 或 登录 查看说明 | ||
| 详细参数 | |||
| 型号 | WRA2403ZMDP10 | 稳压输出 | REGULATED(1-3%) |
| 输出功率 | 10W | 短路保护 | CONTINUOUS |
| 输入电压 | 9-36VDC | 温度范围 | -40-85°C |
| 输出电压 | ±03VDC | 效率 | |
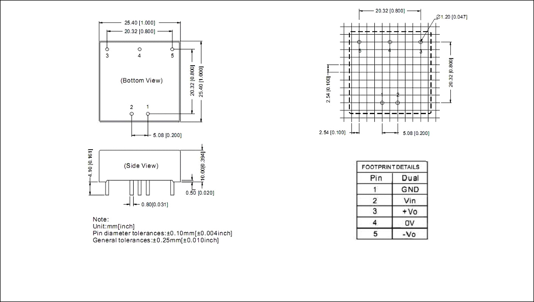
| 封装 | 1x1 | 是否进口 | 否 |
| 封装尺寸 | 25.4*25.4*10mm | 认证 | CE,ROHS |
| 最大输出电流 | 1515 | 品质等级 | High quality |
| 隔离电压 | 1500VDC VDC | 外壳材料 | mental |
| 引脚排列图 | 查看 | ||