| 概览 |    | 
                ||
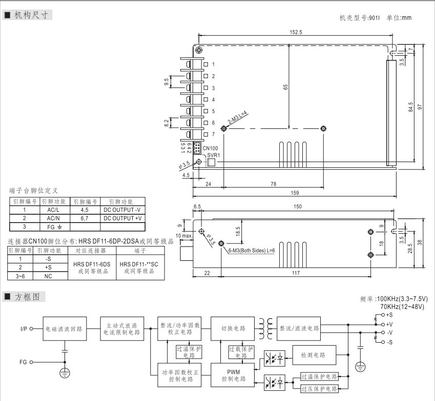
| 型号 | HRP-150-36 | 制造商 | MEAN WELL | 
| 所属系列 | HRP-150 | 产品类别 | 交流到直流电源(AC/DC) | 
| 功能描述 | 免费注册 或 登录 查看说明 | ||
| 详细参数 | |||
| 型号 | HRP-150-36 | 稳压输出 | REGULATED(1-3%) | 
| 输出功率 | 154.8W | 短路保护 | CONTINUOUS | 
| 输入电压 | 85-264VAC | 温度范围 | -40˚cto+85˚c | 
| 输出电压 | 36VDC | 效率 | 89 % | 
| 封装 | 是否进口 | 是 | |
| 封装尺寸 | 159x97x38mm | 认证 | RoHS,CE | 
| 最大输出电流 | 4.3A | 品质等级 | High quality | 
| 隔离电压 | 300 VAC | 外壳材料 | metal | 
| 引脚排列图 | 查看 | ||