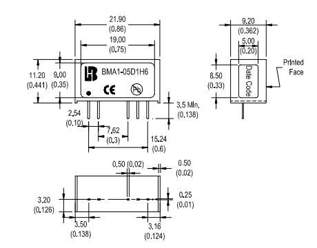
| 概览 | |
||
| 型号 | BMA1-05D2H6 | 制造商 | Bothhand USA |
| 所属系列 | BMA1 H6 | 产品类别 | 直流到直流电源(DC/DC) |
| 功能描述 | 免费注册 或 登录 查看说明 | ||
| 详细参数 | |||
| 型号 | BMA1-05D2H6 | 稳压输出 | Un-Regulated |
| 输出功率 | 1W | 短路保护 | 1 Second max |
| 输入电压 | 5VDC | 温度范围 | -40°C to 85°C |
| 输出电压 | ±12VDC | 效率 | |
| 封装 | SIP | 是否进口 | 是 |
| 封装尺寸 | 21.9 × 11.2 × 9.2 mm | 认证 | CE,RoHS |
| 最大输出电流 | ±42 | 品质等级 | High |
| 隔离电压 | 6000Vdc VDC | 外壳材料 | Plastic |
| 引脚排列图 | 查看 | ||