| 概览 | |
||
| 型号 | B3-2405SHLF | 制造商 | Bothhand USA |
| 所属系列 | B3 LF | 产品类别 | 直流到直流电源(DC/DC) |
| 功能描述 | 免费注册 或 登录 查看说明 | ||
| 详细参数 | |||
| 型号 | B3-2405SHLF | 稳压输出 | UNREGULATED,REGULATED(1-3%) |
| 输出功率 | 2W | 短路保护 | CONTINUOUS |
| 输入电压 | 24VDC | 温度范围 | –40°Cto 85°C |
| 输出电压 | ±5VDC | 效率 | |
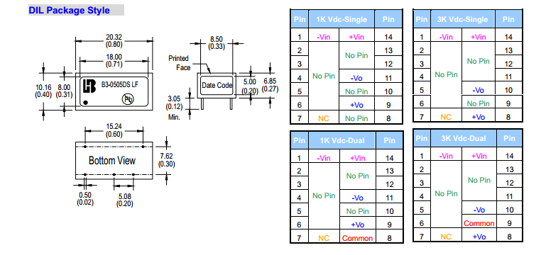
| 封装 | SIL | 是否进口 | 是 |
| 封装尺寸 | 19.6*6*9.5 | 认证 | RoHS,CE |
| 最大输出电流 | ±200 | 品质等级 | High quality |
| 隔离电压 | 3000 VDC | 外壳材料 | Plastics or metal,plastics |
| 引脚排列图 | 查看 | ||