| 概览 | |
||
| 型号 | RD1-0505D10A3 | 制造商 | RSG |
| 所属系列 | RD1-D10 | 产品类别 | 直流到直流电源(DC/DC) |
| 功能描述 | 免费注册 或 登录 查看说明 | ||
| 详细参数 | |||
| 型号 | RD1-0505D10A3 | 稳压输出 | UNREGULATED |
| 输出功率 | 1W | 短路保护 | CONTINUOUS |
| 输入电压 | 5VDC | 温度范围 | –40°Cto 85°C |
| 输出电压 | ±5VDC | 效率 | 72 % |
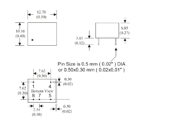
| 封装 | DIP8 | 是否进口 | 是 |
| 封装尺寸 | 12.7*10.16*6.85mm | 认证 | RoHS,CE |
| 最大输出电流 | ±100mA | 品质等级 | High quality |
| 隔离电压 | 3000 VDC | 外壳材料 | plastics |
| 引脚排列图 | 查看 | ||