| 概览 | |
||
| 型号 | K7803T-500 | 制造商 | MORNSUN |
| 所属系列 | K78T-500 | 产品类别 | 直流到直流电源(DC/DC) |
| 功能描述 | 免费注册 或 登录 查看说明 | ||
| 详细参数 | |||
| 型号 | K7803T-500 | 稳压输出 | REGULATED(1-3%) |
| 输出功率 | 0.5W | 短路保护 | CONTINUOUS |
| 输入电压 | 12VDC | 温度范围 | -40˚cto+85˚c |
| 输出电压 | 3.3VDC | 效率 | |
| 封装 | SMD | 是否进口 | 否 |
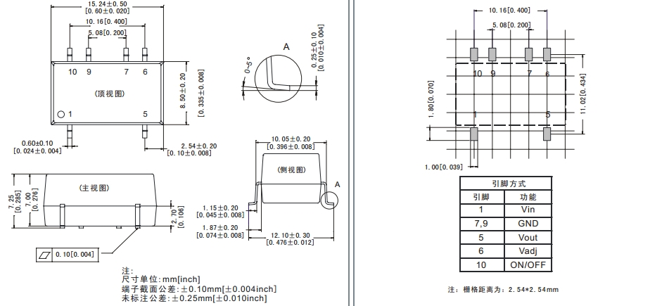
| 封装尺寸 | 15.24*8.50*7.0mm | 认证 | RoHS,CE |
| 最大输出电流 | 500mA | 品质等级 | High quality |
| 隔离电压 | NON-ISOLATED VDC | 外壳材料 | plastics |
| 引脚排列图 | 查看 | ||