| 概览 | |
||
| 型号 | B0507XD-1W | 制造商 | MICRODC |
| 所属系列 | B-XD-1W | 产品类别 | 直流到直流电源(DC/DC) |
| 功能描述 | 免费注册 或 登录 查看说明 | ||
| 详细参数 | |||
| 型号 | B0507XD-1W | 稳压输出 | UNREGULATED |
| 输出功率 | 1W | 短路保护 | 1second(-suffix"P" continous) |
| 输入电压 | 5VDC | 温度范围 | -40-85°C |
| 输出电压 | 7.2VDC | 效率 | |
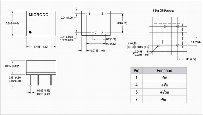
| 封装 | DIP8 | 是否进口 | 否 |
| 封装尺寸 | 11*9.8*6.8mm | 认证 | CE,ROHS |
| 最大输出电流 | 138.9 | 品质等级 | High quality |
| 隔离电压 | 1000VDC VDC | 外壳材料 | plastics |
| 引脚排列图 | 查看 | ||