| 概览 |    | 
                ||
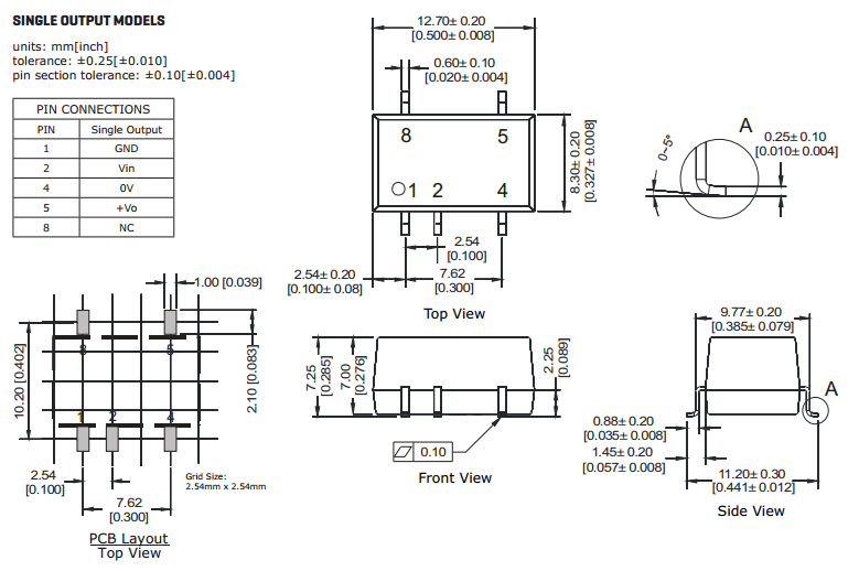
| 型号 | PES1-S24-D24-M | 制造商 | CUIINC | 
| 所属系列 | PES1-D-M | 产品类别 | 直流到直流电源(DC/DC) | 
| 功能描述 | 免费注册 或 登录 查看说明 | ||
| 详细参数 | |||
| 型号 | PES1-S24-D24-M | 稳压输出 | REGULATED(1-3%) | 
| 输出功率 | 1W | 短路保护 | CONTINUOUS | 
| 输入电压 | 21.6-26.4VDC | 温度范围 | -40˚cto+85˚c | 
| 输出电压 | ±24VDC | 效率 | |
| 封装 | SMT | 是否进口 | 是 | 
| 封装尺寸 | 15.24 x 8.3 x 7.25mm | 认证 | RoHS,CE | 
| 最大输出电流 | ±21mA | 品质等级 | High quality | 
| 隔离电压 | 3000 VDC | 外壳材料 | plastics | 
| 引脚排列图 | 查看 | ||