| 概览 |    | 
                ||
| 型号 | VSBU-120-5 | 制造商 | CUIINC | 
| 所属系列 | VSBU-120 | 产品类别 | 交流到直流电源(AC/DC) | 
| 功能描述 | 免费注册 或 登录 查看说明 | ||
| 详细参数 | |||
| 型号 | VSBU-120-5 | 稳压输出 | REGULATED(1-3%) | 
| 输出功率 | 110W | 短路保护 | CONTINUOUS | 
| 输入电压 | 90-260VAC | 温度范围 | -40˚cto+85˚c | 
| 输出电压 | 5-6VDC | 效率 | 80 % | 
| 封装 | 是否进口 | 是 | |
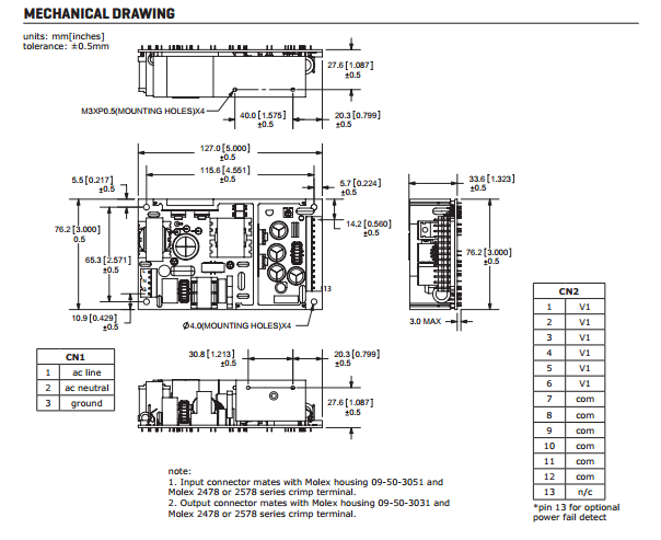
| 封装尺寸 | 127.0x76.2x33.6mm | 认证 | RoHS,CE | 
| 最大输出电流 | 22A | 品质等级 | High quality | 
| 隔离电压 | 外壳材料 | metal | |
| 引脚排列图 | 查看 | ||