| 概览 | |
||
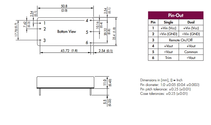
| 型号 | TEN40-2422WIN | 制造商 | TRACO |
| 所属系列 | TEN40-WIN | 产品类别 | 直流到直流电源(DC/DC) |
| 功能描述 | 免费注册 或 登录 查看说明 | ||
| 详细参数 | |||
| 型号 | TEN40-2422WIN | 稳压输出 | REGULATED(1-3%) |
| 输出功率 | 40W | 短路保护 | CONTINUOUS |
| 输入电压 | 9-36VDC | 温度范围 | -40˚cto+85˚c |
| 输出电压 | ±12VDC | 效率 | 88 % |
| 封装 | 2x1 | 是否进口 | 是 |
| 封装尺寸 | 50.8x25.4x10.2mm | 认证 | RoHS,CE |
| 最大输出电流 | ±1670mA | 品质等级 | High quality |
| 隔离电压 | 1500 VDC | 外壳材料 | Aluminum Alloy |
| 引脚排列图 | 查看 | ||