| 概览 | |
||
| 型号 | WRA1215YMD-20W | 制造商 | MICRODC |
| 所属系列 | WRA-YMD-20W | 产品类别 | 直流到直流电源(DC/DC) |
| 功能描述 | 免费注册 或 登录 查看说明 | ||
| 详细参数 | |||
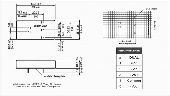
| 型号 | WRA1215YMD-20W | 稳压输出 | REGULATED(1-3%) |
| 输出功率 | 20W | 短路保护 | continuous |
| 输入电压 | 9-18VDC | 温度范围 | -40-85°C |
| 输出电压 | ±15VDC | 效率 | |
| 封装 | 2x1 | 是否进口 | 否 |
| 封装尺寸 | 50.8*25.4*10.2mm | 认证 | CE,ROHS |
| 最大输出电流 | ±665 | 品质等级 | High quality |
| 隔离电压 | 1500VDC VDC | 外壳材料 | mental |
| 引脚排列图 | 查看 | ||