| 概览 | |
||
| 型号 | SD-15A-24 | 制造商 | MEAN WELL |
| 所属系列 | SD-15 | 产品类别 | 直流到直流电源(DC/DC) |
| 功能描述 | 免费注册 或 登录 查看说明 | ||
| 详细参数 | |||
| 型号 | SD-15A-24 | 稳压输出 | 是 |
| 输出功率 | 15W | 短路保护 | 是 |
| 输入电压 | 9.2-18VDC | 温度范围 | -10°Cto 60°C |
| 输出电压 | 24VDC | 效率 | |
| 封装 | 是否进口 | 是 | |
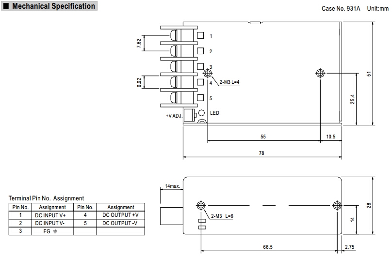
| 封装尺寸 | 78x51x28mm | 认证 | CE |
| 最大输出电流 | 0.625mA | 品质等级 | High quality |
| 隔离电压 | 外壳材料 | metal | |
| 引脚排列图 | 查看 | ||