| 概览 | |
||
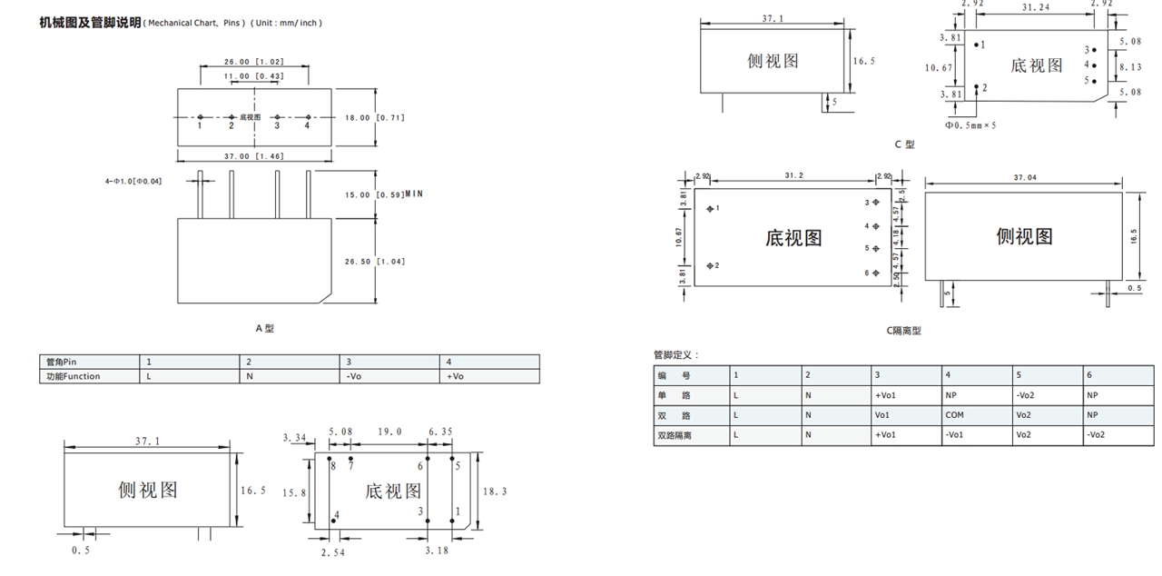
| 型号 | WAN2.5D15 | 制造商 | Wispower |
| 所属系列 | WA2.5 | 产品类别 | 交流到直流电源(AC/DC) |
| 功能描述 | 免费注册 或 登录 查看说明 | ||
| 详细参数 | |||
| 型号 | WAN2.5D15 | 稳压输出 | REGULATED(1-3%) |
| 输出功率 | 2.5mA | 短路保护 | CONTINUOUS |
| 输入电压 | 165-265VAC | 温度范围 | -40˚cto 85˚c |
| 输出电压 | 15/-15VDC | 效率 | |
| 封装 | DIP | 是否进口 | 否 |
| 封装尺寸 | 37.1x37.04x16.5mm | 认证 | RoHS,CE |
| 最大输出电流 | 0.08/-0.08mA | 品质等级 | High quality |
| 隔离电压 | 1500 VAC | 外壳材料 | metal |
| 引脚排列图 | 查看 | ||