| 概览 |   | ||
| 型号 | WRF1207YD-4W | 制造商 | MICRODC | 
| 所属系列 | WRF-YD-4W | 产品类别 | 直流到直流电源(DC/DC) | 
| 功能描述 | 免费注册 或 登录 查看说明 | ||
| 详细参数 | |||
| 型号 | WRF1207YD-4W | 稳压输出 | REGULATED(1-3%) | 
| 输出功率 | 4W | 短路保护 | CONTINUOUS | 
| 输入电压 | 9-18VDC | 温度范围 | -40-85°C | 
| 输出电压 | 7.2VDC | 效率 | |
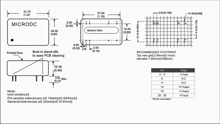
| 封装 | DIP24 | 是否进口 | 否 | 
| 封装尺寸 | 31.75*20.32*10.16mm | 认证 | CE,ROHS | 
| 最大输出电流 | 556mA | 品质等级 | High quality | 
| 隔离电压 | 3000VDC VDC | 外壳材料 | mental | 
| 引脚排列图 | 查看 | ||